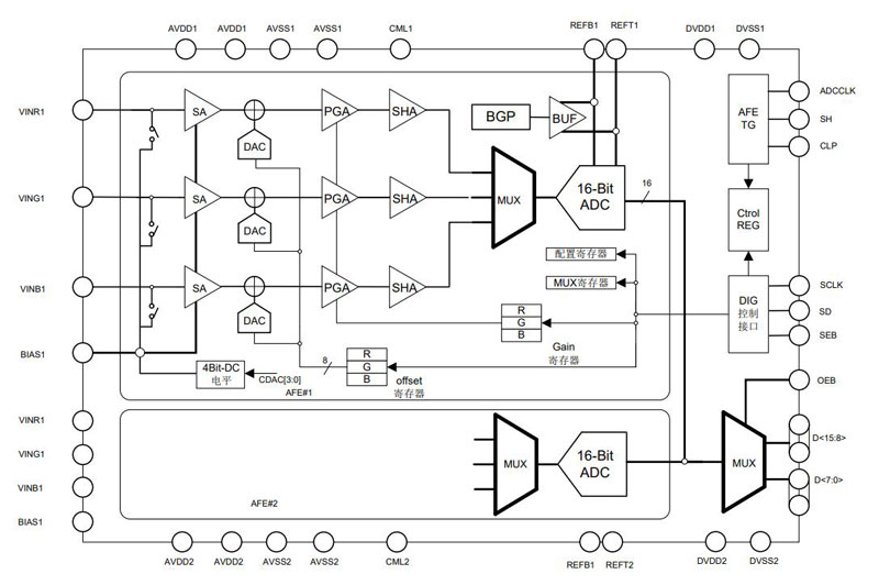
BS6616 CCD/CIS模拟前端
双面扫描仪 货币扫描仪 工业扫描仪
  • 工作电压:3.3V

  • 量化精度: 16Bit

  • 最高采样速率:120Msps

  • 可编程 OFFSET:±290mV

  • 具有内部基准

  • 输入钳位保护电路

  • 功耗:950mW

  • Power Down 功耗:400μA

  • 具有6线可编程接口

扫描二维码 关注麦蒂辛
了解行业前沿资讯
  • 137-5481-8249
  • Email:wangyan@broadsi.com
  • Address:成都市高新区科园南路88号天府生命科技园A2栋2层202号
语言
你可以选择您所在区域语言: