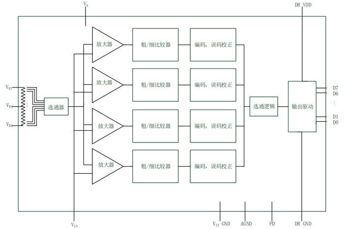
BS10068/BS10108/BS10208型模数转换器
激光测距 仪器仪表 机顶盒
  • 最高采样速率: 70MSPS/100MSPS/230MSPS

  • 采用单电源供电: 2.7V~3.6V

  • 功耗:69mW/110mW/220mW

  • 低功耗模式:1mW

  • 单端模拟输入

  • 采用TSSOP24封装 

扫描二维码 关注麦蒂辛
了解行业前沿资讯
  • 137-5481-8249
  • Email:wangyan@broadsi.com
  • Address:成都市高新区科园南路88号天府生命科技园A2栋2层202号
语言
你可以选择您所在区域语言: